Home › Unlabelled ›
Dayton Electric Motor Wiring Diagram - 5k694 Dayton Electric Motor Wiring Diagram Full Hd Quality Version Wiring Diagram Wiring Kava Phpbbmods It - The electric motor diagram is shown below.
Dayton Electric Motor Wiring Diagram - 5k694 Dayton Electric Motor Wiring Diagram Full Hd Quality Version Wiring Diagram Wiring Kava Phpbbmods It - The electric motor diagram is shown below.. Collection of dayton electric motors wiring diagram. A set of wiring diagrams may be required by the electrical inspection authority to accept relationship of the quarters to the public electrical supply system. These are tricky, i had an electrician who does these all the time wire one in for us and it took three tries to get it correct. The electric motor diagram is shown below. Join our community of 625,000+ engineers.
Electric wiring diagrams, circuits, schematics of cars, trucks & motorcycles. Marathon electric motors wiring diagram circuit single phase motor component control controlled automotive speed full size. I need wiring diagram for a dayton electric motor 4mb22. In the industrial system, we use mostly three phases of electric power for electric induction motors. Now, due to inertia, the ring keeps moving.
Dayton 6k884c 7 5 Hp Motor With 6 Capicitors Doityourself Com Community Forums from www.doityourself.com I have a dayton electric motor that was installed on my boat lift in 1987. It makes the procedure for assembling circuit simpler. Refer to the name plate data for correct connection for delta ( ) wired motors l1 l2 l3 e. That's because they're packed with tightly wound artwork: 2004 corolla (ewd533u) 8 b how to use this manual the ground points circuit diagram shows the connections from all major. Therefore wiring a reversing starter for single phase operation is possible but can only be advised for those who fully understand the the diagram below shows the wiring for a single phase motor and the path through the contactor and overload Marathon electric motors wiring diagram circuit single phase motor component control controlled automotive speed full size. It is a reversible motor with a brake.
So the opposite end of the ring is now connected the positive end of wire split ring p is connected to coil cd and split ring q is.
In the industrial system, we use mostly three phases of electric power for electric induction motors. Most motors have a wiring diagram on them or in the peckerhead to show you how they need to be weired for different hook ups. I can email a copy of the motor with the wiring diagram on the motor and a. As is known, current is the orderly movement of charged particles along conductors of an electric current. Internal wiring diagrams of small and fractional horsepower electric motors. The diagram offers visual representation of a electrical structure. Join our community of 625,000+ engineers. Harness wiring diagram amazing dayton electric motor. I need wiring diagram for a dayton electric motor 4mb22. It shows the components of the circuit as simplified forms, and the power and signal connections between the devices. A simplified diagram of the parts in an electric motor. It shows the components of the circuit as simplified shapes and the facility and signal associates amid the devices. Now, due to inertia, the ring keeps moving.
In the industrial system, we use mostly three phases of electric power for electric induction motors. The old motor went bad so i am replacing it. This video explains how the wiring connections are made based on the wiring diagram provided with the motor. It is a reversible motor with a brake. Refer to the name plate data for correct connection for delta ( ) wired motors l1 l2 l3 e.
Dayton Wiring Diagram from ww2.justanswer.com Internal wiring diagrams of small and fractional horsepower electric motors. It is a reversible motor with a brake. The old motor went bad so i am replacing it. I can email a copy of the motor with the wiring diagram on the motor and a. Posted on oct 21, 2010. Please download these dayton electric motors wiring diagram by using the download button, or right select selected image, then use save image menu. Most motors have a wiring diagram on them or in the peckerhead to show you how they need to be weired for different hook ups. 2004 corolla (ewd533u) 8 b how to use this manual the ground points circuit diagram shows the connections from all major.
I have a dayton electric motor that was installed on my boat lift in 1987.
I have a dayton electric motor that was installed on my boat lift in 1987. Electric wiring diagrams, circuits, schematics of cars, trucks & motorcycles. It is a reversible motor with a brake. Internal wiring diagrams of small and fractional horsepower electric motors. As is known, current is the orderly movement of charged particles along conductors of an electric current. Most motors have a wiring diagram on them or in the peckerhead to show you how they need to be weired for different hook ups. That's because they're packed with tightly wound artwork: However, this diagram is a simplified version of the arrangement. Wiring diagram for dayton ac electric motor. Please download these dayton electric motors wiring diagram by using the download button, or right select selected image, then use save image menu. Posted on oct 21, 2010. A wiring diagram is an easy visual representation with the physical connections and physical layout of an electrical system or circuit. Therefore wiring a reversing starter for single phase operation is possible but can only be advised for those who fully understand the the diagram below shows the wiring for a single phase motor and the path through the contactor and overload
This video explains how the wiring connections are made based on the wiring diagram provided with the motor. Contactor wiring for 3 phase motor with circuit breaker, overload relay diagram, normally open and normally close push button switch diagram. A wide variety of electric motor wiring diagrams options are available to you, such as phase, application, and applicable industries. Welcome the the schneider electric french website. The classification of electric motors can be done based on considerations like the type of power source, construction, motion output windings in the motors are wires that are laid inside of the coils, generally covered around a flexible iron magnetic.
Diagram Wiring Diagram Dayton Motor Full Version Hd Quality Dayton Motor Busdiagram Moocom It from ww2.justanswer.com A set of wiring diagrams may be required by the electrical inspection authority to accept relationship of the quarters to the public electrical supply system. How it works in practice. Even small electric motors are surprisingly heavy. Wiring diagram for dayton ac electric motor. However, this diagram is a simplified version of the arrangement. Collection of dayton electric motors wiring diagram. Posted on oct 21, 2010. Dayton gear motor wiring diagram wiring diagram inside diagram gorbel cranes wiring diagram diagram schematic circuit.
It shows the components of the circuit as simplified forms, and the power and signal connections between the devices.
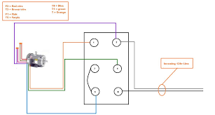
A wiring diagram is a simplified conventional pictorial representation of an electric circuit. It shows the components of the circuit as simplified shapes and the facility and signal associates amid the devices. 3ø wiring diagrams diagram dd1. However, this diagram is a simplified version of the arrangement. Marathon electric motors wiring diagram circuit single phase motor component control controlled automotive speed full size. Here is the wiring diagram off of a 115vac dayton motor i have on hand, the numbers in the schematic matches the numbering on the connection breakout of the motor. So the opposite end of the ring is now connected the positive end of wire split ring p is connected to coil cd and split ring q is. A simplified diagram of the parts in an electric motor. I need wiring diagram for a dayton electric motor 4mb22. Variety of dayton electric motors wiring diagram. I need help connecting it properly for forward reverse operation with the dayton 1 phase motor it now has on it. Join our community of 625,000+ engineers. Collection of dayton electric motors wiring diagram.